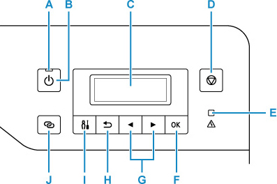
Panel Operasi

- A: Lampu DAYA(ON)
- Menyala setelah berkedip ketika daya dinyalakan.
- B: Tombol DAYA(ON)
-
Menyalakan atau mematikan daya.
- C: LCD (Tampilan Kristal Cair)
- Menampilkan pesan, item menu, dan status pengoperasian.
- D: Tombol Berhenti(Stop)
- Membatalkan pengoperasian ketika pencetakan sedang berlangsung atau ketika memilih item menu.
- E: Lampu Alarm
- Menyala atau berkedip ketika terjadi kesalahan.
- F: Tombol OK
- Menyelesaikan pilihan item Anda. Juga digunakan untuk menangani kesalahan.
- G: Tombol
dan 
- Digunakan untuk memilih item setelan. Tombol ini juga digunakan untuk memasukkan karakter.
- H: Tombol Mundur(Back)
- Mengembalikan LCD ke layar sebelumnya.
- I: Tombol Pengesetan(Setup)
- Menampilkan layar Menu Pengesetan(Setup menu). Dengan menu ini, Anda dapat melakukan perawatan pencetak dan mengubah setelan pencetak. Juga digunakan untuk memilih mode input.
- J: Tombol Koneksi nirkabel(Wireless connect)
- Untuk mengeset informasi perute nirkabel pada pencetak secara langsung dari ponsel pintar atau perangkat serupa (tanpa pengoperasian apa pun pada perute nirkabel), tahan tombol ini.

